一、产品概述:
可调计量范围:0-1800L/H
*大压力范围:0-0.6MPa
驱动方式:电机驱动
控制方式:手动、自动控制(可接收4-20mA信号来调节流量)
1、铸铝壳体,散热性能高,整体重量轻,适用各种酸碱药液,无毒无味。
2、采用偏心曲轴机构,径向滑运调节流量。
3、接触介质泵头为PVC、可选PTFE、及不锈钢材质。
4、性价比高,普遍适用于,压力要求不高的水处理行业。
5、在泵运行或停止时也可任意调节流量也可定量输出。
6、隔膜为多层复合结构压制而成,**层超韧性Teflon耐酸薄膜,**层EPDM弹性橡胶,第三层厚度3.mm SUS304支撑铁芯,第四层采用强化尼龙纤维补强,第五采用EPDM弹性橡胶包履,可有效提升隔膜使用寿命。
| 泵头部位材料 | 工作条件 |
| 计量泵头: 聚氯乙烯、SUS304、SUS316、聚四氟乙烯 | 环境温度: -30℃ ---90℃ |
| 计量阀: 聚氯乙烯、SUS304、SUS316、聚四氟乙烯 | 电机: 二相、三相标准电机或防爆电机 |
| 阀球: 二氧化硅、SUS304、SUS316、陶瓷 | 功率:1.5KW 2.2KW |
| 密封: 聚四氟乙烯、聚氯乙烯 | 防护等级:IP54 |
四、产品特点:
1. 操作安全,机械驱动隔膜。
2. 密封性好,无泄漏,装配维修简单安全。
3.它可以传输高粘度介质,腐蚀性液体和危险性的化学品。
4.流量调节能够调节冲程长度或电机频率。
5.隔膜为多层复合结构压制而成,**层超韧性Teflon耐酸薄膜,**层EPDM弹性橡胶,第三层3.0mmSUS304支撑铁芯,第四层采用强化尼龙纤维补,第五层采用EPDM弹性橡胶包履,可有效提出升隔膜适用寿命。
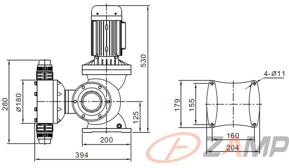
五、性能参数:
| 型号 | 流量L/h | 压力Mpa | 冲次(min-1) | 功率(kw) | 进出口mm | 重量(kg) |
| GB 380/0.6 | 380 | 0.6 | 96 | 0.75 | DN25 | 40 |
| GB 500/0.6 | 500 | 0.6 | 96 | 0.75 | ||
| GB 800/0.5 | 800 | 0.5 | 144 | 0.75 | ||
| GB 1000/0.4 | 1000 | 0.4 | 144 | 1.1 | ||
| GB 1400/0.3 | 1400 | 0.3 | 144 | 1.5 | DN40 | 50 |
| GB 1600/0.3 | 1600 | 0.3 | 144 | 1.5 | DN40 | 50 |


上一篇:JYZ系列液压隔膜式计量泵
下一篇:GM系列精密电动隔膜式计量泵



